Galas penggelek tujahan 81207
Galas tujahan penggelek silinder satu baris direka untuk menampung beban paksi berat dan beban puncak dalam satu arah, tetapi bukan beban jejarian. Mereka memberikan tahap kekakuan yang tinggi dan memerlukan sedikit ruang paksi. Ia digunakan terutamanya dalam aplikasi di mana galas bebola tujahan tidak mempunyai kapasiti membawa beban yang mencukupi. Ciri penting ialah reka bentuk yang boleh dipisahkan, yang memudahkan pemasangan dan membolehkan komponen galas ditukar.
Kapasiti membawa beban paksi yang tinggi
Kekakuan yang tinggi
Hayat perkhidmatan yang panjang
Memerlukan sedikit ruang paksi
Reka bentuk boleh dipisahkan
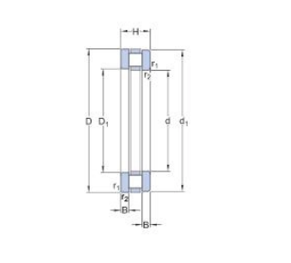
Tujahan Galas penggelek silinder 81207 sangkar tembaga
Dimensi
d |
35 mm |
Diameter lubang |
D |
62 mm |
Diameter luar |
H |
18 mm |
Ketinggian |
d1 |
62 mm |
Pencuci aci diameter luar |
D1 |
37 mm |
Pencuci perumah diameter gerek |
B |
5.25 mm |
Pencuci aci ketinggian |
r1,2 |
min.1 mm |
Mesin basuh perumahan dimensi chamfer |
Galas roller tujahan tergolong dalam galas jenis pemisahan, mudah dipasang.
Ketegarannya lebih besar dan menempati ruang yang kecil.
Ia boleh menahan beban paksi yang besar dan beban impak tertentu.
Apabila memasang galas, daya harus seragam, dan alat keras tidak boleh digunakan untuk memukul secara langsung. Sekiranya pemanasan diperlukan, galas harus dipanaskan sama rata hingga 80-100 darjah, dan kemudian dipasang dengan segera.


